價 格: 詢價
起訂量:≥1
關鍵詞:
描 述:
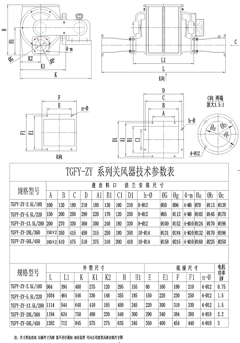
正壓關風器包括關風器、與關風器相連的關風器電機,關風器設置在料倉的下料口,關風器與送風管道連通,送風管道一端設有羅茨風機,其特征在于:在關風器兩端傳動部位設有出風室,在風室上部開出進氣口,在所述送風管道的靠近羅茨風機一端的殼體上開有出氣口,出氣口通過一個分叉的氣管分別接入關風器兩端傳動軸部位的進氣口,利用送風管道中的風力向下阻止關風器向上的反吹的風,形成風阻密封住關風器。本實用新型與現有技術相比具有顯著的優點和有益效果:耐正壓關風器安裝在下料灰倉的下料口,可以使在物料輸送中避免送風反向進入下料口而進入下料灰倉,影響下料速度和下料量。
